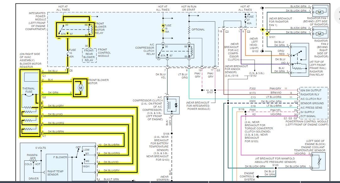
Ecm Blower Motor Wiring Diagram, Rescue Blower Motor Wiring Diagram - Complete Wiring Schemas
Ecm Blower Motor Wiring Diagram Wiring Capacitor Embraco Hvac Evaporator Doga Wiper Doityourself Webtor Cbb61 Reliance Motors Clipartmag Ambrasta
How do i remove a 1996 silverado dash
18 popular ecm motor wiring diagram collections. Chevy blower air motor remove silverado heater 1997 suburban 1500 1996 dash 1995 ac rear heat fan chevrolet system freon. Howtorepairguide.com: blower motor not working on high speed on 2003. Ac blower motor wiring diagram


.jpg)








![[44+] Wiring Diagram Blower Ac](https://ww2.justanswer.com/uploads/s420/2009-12-18_192750_95_Escort_Blower_motor_wiring_diagram.jpg)
Komentar
Posting Komentar